产品详情:
【PLF压力管路过滤器简介】
该系列过滤器,可安装在不同压力等级的压力管路上,用以进一步清除或阻挡由于外界带入元件工作时磨损,以及介质本身化学作用所产生的杂质。特别适用于自动控制系统和伺服系统。它可防止高精度的控制元件和执行元件由于污染而过早磨损或卡死,从而可减少故障,延长元件使用寿命。
该过滤器采用进口玻璃纤维滤材,具有过滤精度高,通油能力强,原始压力损失小,纳污量大等优点。过滤精度以绝对过滤精度标定,其过滤比β3,5,10,20>100过滤效率n≥99%。符合ISO标准。
该过滤器结构有以下特点:
1、与同等流量过滤器相比,结构紧凑体积小。
2、使用压力范围宽。
3、换滤芯方便,用户可根据安装空间,打开上盖,更换滤芯,也可旋下外壳(先放油)从下面取下滤芯。
4、安装固定方便:如用户按标准流向安装有困难时可拆下盖上4个螺钉,把盖转动180度。这样就改变了介质流动方向。
5、该过滤器设有旁通阀和压差发讯装置,双重保护功能。当滤芯污染堵塞至进出口压差值为发现讯器设定值时,发讯器发讯,此时必须更换滤芯。
【型号说明】


型号示例:带旁通阀,使用介质为水—乙二醇,使用压力32MPa、公称流量60L/min、过滤精度10μm、带发讯器。则过滤器型号为PLFI·BH-H60×10P
【技术参数】
| 型号 | 公称流量(L/min) | 过滤精度(μm) | 公称压力(Mpa) | 压力损失(MPa) | 发讯装置功率(V/W) | 滤头型号 | 连接方式 | |
| Initial | Max | |||||||
| PLF-□30x*P | 30 | 3 5 10 20 | H=32 E=16 C=6.3 | ≤0.07 | 0.5 | 24V/48W 220V/50W | PLFX-30X-* | 管式 |
| PLF-□60x*P | 60 | JH0060D*BN3HC | ||||||
| PLF-□110x*P | 110 | JH0110D*BN3HC | ||||||
| PLF-□160x*P | 160 | JH0160D*BN3HC | ||||||
| PLF-□240x*FP | 240 | JH0240D*BN3HC | 法兰式 | |||||
| PLF-□330x*FP | 330 | JH0330D*BN3HC | ||||||
| PLF-□500x*FP | 500 | JH0500D*BN3HC | ||||||
| PLF-□660x*FP | 660 | JH0660D*BN3HC | ||||||
注:※表示过滤精度
【滤芯压差流量曲线】
滤芯JH※D※BN/HC(由试验测得数据)
Q-△P曲线油液粘度

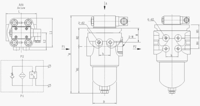
【安装外型尺寸】

(1)32MPa压力管路过滤器
| 型号 | ~H | ~H1 | H2 | H3 | H4 | h | L | L1 | L2 | D | M | d2 |
| PLF-H30x*P | 239 | 146 | 58 | 45 | | 35 | 118 | 114 | 69 | 73 | 2-M33×2 | 2-M10 |
| PLF-H60x*P | 255 | 162 | 58 | 45 | | 35 | 118 | 114 | 69 | 73 | 2-M33×2 | 2-M10 |
| PLF-H110x*P | 329 | 236 | 58 | 45 | | 35 | 118 | 114 | 69 | 73 | 2-M42×2 | 2-M10 |
| PLF-H160x*P | 319 | 215 | 69 | 49 | 45 | 50 | 150 | 140 | 82 | 102 | 2-M48×2 | 4-M10 |
(2)16MPa压力管路过滤器
| 型号 | ~H | ~H1 | H2 | H3 | H4 | h | L | L1 | L2 | D | M | d2 |
| PLF-E30x*P | 223 | 136 | 52 | 39 | | 35 | 110 | 100 | 62 | 73 | 2-M33×2 | 2-M10 |
| PLF-E60x*P | 239 | 152 | 52 | 39 | | 35 | 110 | 100 | 62 | 73 | 2-M33×2 | 2-M10 |
| PLF-E110x*P | 308 | 21 | 52 | 39 | | 35 | 110 | 100 | 62 | 73 | 2-M42×2 | 2-M10 |
| PLF-E160x*P | 294 | 196 | 63 | 43 | 45 | 45 | 140 | 130 | 77 | 95 | 2-M48×2 | 4-M10 |
(3)6.3MPa压力管路过滤器
| 型号 | ~H | ~H1 | H2 | H3 | H4 | h | L | L1 | L2 | D | M | d2 |
| PLF-C30x*P | 223 | 136 | 52 | 39 | | 35 | 110 | 88 | 56 | 73 | 2-M33×2 | 2-M10 |
| PLF-C60x*P | 239 | 152 | 52 | 39 | | 35 | 110 | 88 | 56 | 73 | 2-M33×2 | 2-M10 |
| PLF-C110x*P | 308 | 221 | 52 | 39 | | 35 | 110 | 88 | 56 | 73 | 2-M42×2 | 2-M10 |
| PLF-C160x*P | 290 | 196 | 59 | 39 | 45 | 45 | 140 | 114 | 69 | 95 | 2-M48×2 | 4-M10 |
关注上一个:
GU-H系列自封式压力管路过滤器
丨
关注下一个:更新中
您可能还想了解以下产品:








