产品详情:
【SGF双筒高压过滤器简介】
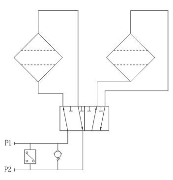
该过滤器安装在油泵出油口高压管路上,用以保护控制元件及执行机构。特别是自动控制系统中,高精度的伺服元件及柱塞元件,可有效地防止污染避免故障,延长元件使用寿命。
过滤器由两只单筒过滤器、换向阀、旁通阀、发讯器等组成,能使系统在不停机状况下更换滤芯,适用于连续工作的液压系统。
当其中一只过滤器的滤芯堵塞至压差发讯器压力指示值为0.5MPa时,发讯器发讯,这时必须更换滤芯。只要转动换向阀、另一只备用过滤器即刻开始工作,这时只需旋开螺塞放完油,再旋下外壳,就可更换已堵塞的滤芯。
如因故未能及时更换滤芯,压差继续升至旁通阀开启压力0.6MPa时,旁通阀自动开启,以避免由于压力继续上升,滤芯破裂造成再污染,用户必须在发讯器发讯时更换滤芯。
【型号说明】


【技术参数】
| 型号 | 公称流量(I/min) | 过滤精度(µm) | 公称压力(MPa) | 通径(Mm) | 压力损失(MPa) | 发讯装置 | 重量(kg) | 连接方式 | 滤芯型号 | ||
| Initial | Max. | (V) | (A) | ||||||||
| SGF-H30x* | 30 | 3 5 10 20 | 32 | 20 | ≤0.08 | 0.5 | 12 24 36 220 | 2.5 2 1.5 0.25 | | 法兰式 | PLFX-30x* |
| SGF-H60x* | 60 | 20 | | JH0060D*BN3HC | |||||||
| SGF-H110x* | 110 | 20 | | JH0110D*BN3HC | |||||||
| SGF-H160x* | 160 | 32 | | JH0160D*BN3HC | |||||||
| SGF-H240x* | 240 | 32 | | JH0240D*BN3HC | |||||||
| SGF-H330x* | 330 | 50 | | JH0330D*BN3HC | |||||||
| SGF-H500x* | 500 | 50 | | JH0500D*BN3HC | |||||||
| SGF-H660x* | 660 | 50 | | JH0660D*BN3HC | |||||||
注:*为过滤精度,若使用介质为水一乙二醇,使用压力32MPa,公称流量160/min,过滤精度10μm,带发讯器。则过滤器型号为SGF·BH-H160x10C.滤芯型号为JH0160D010BN3HC。

| 型号 | H | H1 | B | B1 | B2 | B3 | B4 | B5 | B6 | B7 | A | L | L1 | L2 | L3 | L4 | D | DN | d1 | d | M |
| SGF-H30x* | 180 | 106 | 242 | 136 | 106 | 32 | 36 | 28 | 30 | 15 | 120 | 246 | 210 | 104 | 46 | 134 | 73 | 20 | 28 | 17.5 | M12 |
| SGF-H60x* | 196 | 106 | 242 | 136 | 106 | 32 | 36 | 28 | 30 | 15 | 120 | 246 | 210 | 104 | 46 | 134 | 73 | 20 | 28 | 17.5 | M12 |
| SGF-H110x* | 265 | 106 | 242 | 136 | 106 | 32 | 36 | 28 | 30 | 15 | 120 | 246 | 210 | 104 | 46 | 134 | 73 | 20 | 28 | 17.5 | M12 |
| SGF-H160x* | 251 | 129 | 278 | 172 | 142 | 45 | 48 | 29 | 30 | 15 | 140 | 296 | 260 | 110 | 52 | 140 | 102 | 32 | 40 | 17.5 | M12 |
| SGF-H240x* | 309 | 129 | 278 | 172 | 142 | 45 | 48 | 29 | 30 | 15 | 140 | 296 | 260 | 110 | 52 | 140 | 102 | 32 | 40 | 17.5 | M12 |
| SGF-H330x* | 330 | 152 | 377 | 230 | 190 | 57 | 66 | 41 | 48 | 20 | 210 | 414 | 380 | 160 | 85 | 200 | 146 | 50 | 60 | 26 | M20 |
| SGF-H500x* | 423 | 152 | 377 | 230 | 190 | 57 | 66 | 41 | 48 | 20 | 210 | 414 | 380 | 160 | 85 | 200 | 146 | 50 | 60 | 26 | M20 |
| SGF-H660x* | 497 | 152 | 377 | 230 | 190 | 57 | 66 | 41 | 48 | 20 | 210 | 414 | 380 | 160 | 85 | 200 | 146 | 50 | 60 | 26 | M20 |
关注上一个:
SDRLF大流量双筒回油过滤器
丨
关注下一个:
SRFB双筒直回式回油过滤器
您可能还想了解以下产品:








